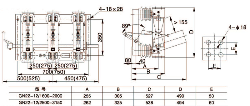
| GN22-12高压隔离开关 | |
|
GN22开关为大电流户内高压隔离开关,适用于额定电压12KV,三相交流50HZ,电力系统中高压开关设备作为有电压无负载的情况下分合电路之用。
开关结构设计、合理。它采用了两步动作的锁紧方式,使开关动热稳定性能优异,操作力小。它采用了环氧树脂和绝缘子及刷镀银等新材料新工艺,使开关导电性能好,体积小,质量轻。
它的出线端子便于与真空断路器、油断路器连接,可缩小开关柜体种,减少过渡接头,降低成本.户内、外穿墙套管 单极开关 低压刀闸 户内隔离开关机构 接地开关 开关用成型触头、导电杆
|
|

全国服务热线:





