欢迎光临浙江许高电力科技有限公司

全国服务热线:13868746508
上一张 下一张
 FZ(R)N16A-12高压真空负荷开关

FZ(R)N16A-12高压真空负荷开关

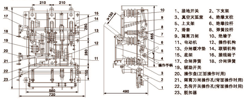
FZ(R)N16A-12高压真空负荷开关(熔断器组合电器)外形安装尺寸

相关推荐